

行业应用
冶金领域
意昂体育app网页版登录入口百度游戏标题:深度解读轴承手册 y:全面指南及专家建议在工业领域中,轴承是一种至关重要的零部件,承载着机械设备的旋转运动
意昂官网注册百度 H5云阳6205轴承作为一种常见的机械零部件,在各个领域中发挥着重要作用
意昂官网登录入口百度移动开放平台作为专业领域内的领先企业,丰镇瑞典轴承一直以其卓越的品质和可靠性广受好评
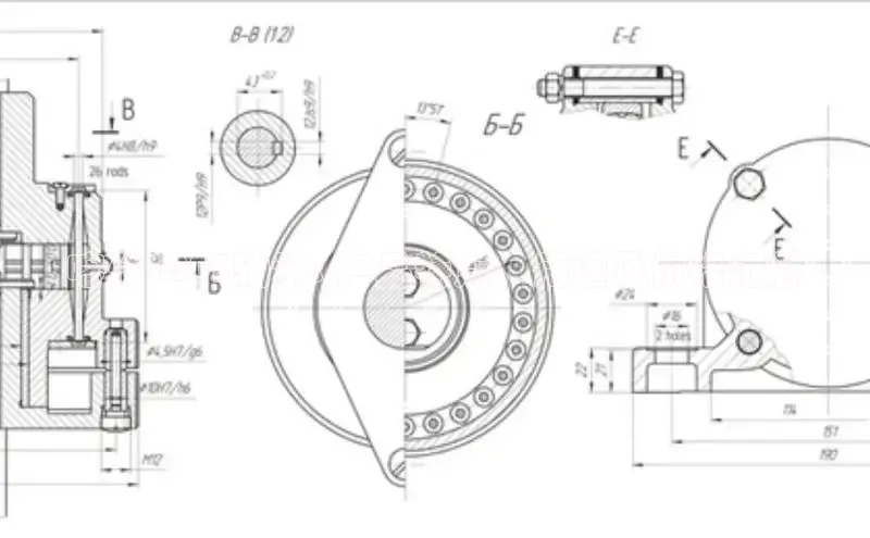
意昂3体育百度社团赞助平台精准测量技术:探索圆锥轴承的测量方法圆锥轴承是机械设备中常见的零部件,在保证运转稳定性和寿命的同时,测量其精准度也显得至关重要
意昂体育官网登录哇咔哇咔文化探索压力轴承91683:性能特点、应用领域及选购指南在工业领域中,压力轴承是不可或缺的重要部件之一
意昂官网登录入口百度技术学院,下面为您写一篇符合百度SEO要求的文章::闵行区606轴承:全面解析最新型号及最佳选购指南在工业制造领域,轴承是不可或缺的重要零部件之一,而轴承品种繁多,其中闵行区606...
意昂注册平台官网入口百度学术标题:深度解析推力轴承510011:性能特点、安装方式及使用注意事项推力轴承是机械设备中常见的零部件,具有支撑和传递轴向载荷的作用
意昂体育猫眼喀什1203轴承是一种常用的轴承型号,具有诸多优点和适用范围
意昂注册官网汉得信息标题:单项轴承扭矩指南:了解如何正确解析和应用在工程设计和机械维护领域,单项轴承扭矩是一个至关重要的概念
意昂体育官网注册百度大脑标题:探索1205轴承的承重能力:一场深度解读在工业领域中,轴承是起到支撑和减少摩擦的重要零件